- En stock
- En cours d’approvisionnement
- Rupture de stock, nous contacter
Filtre :
Vue éclatée en cours : 01
|
|
N° | Code produit | Désignation | Statut | De série | Qté / Machine | Prix unitaire TTC | |
|---|---|---|---|---|---|---|---|---|
| Pièces détachées | ||||||||
| 20594466 | VENTILATEUR MOTEUR TETE
Présent sur outils : |
1 | 0 € | Nous Contacter ! | ||||
| 20594467 | CARTER VENTLATEUR MOTEUR TETE
Présent sur outils : |
1 | 0 € | Nous Contacter ! | ||||
| 20594524 | VISU
Présent sur outils : |
1 | 0 € | Nous Contacter ! | ||||
| 20594525 | REGLE COMPLETE AXE X POUR VISU
Présent sur outils : |
1 | 0 € | Nous Contacter ! | ||||
| 20594526 | REGLE COMPLETE AXE Y POUR VISU
Présent sur outils : |
1 | 0 € | Nous Contacter ! | ||||
| 20594527 | REGLE COMPLETE AXE Z POUR VISU
Présent sur outils : |
1 | 0 € | Nous Contacter ! | ||||
![]() |
20598064 | COLLIER 10/16 8
Présent sur outils : |
1 | 3.72 € |
–+ Ajouter
|
|||
![]() |
20599834 | RACCORD CANNELE D.10 G1/2
Présent sur outils : |
1 | 29.04 € |
–+ Ajouter
|
|||
| 001 | 20594361 | CACHE PROTECTION TIRANT
Présent sur outils : |
1 | 0 € | Nous Contacter ! | |||
| 002 VUE 01 ET 03 | 20194271 | VIS A TETE 6 PANS CREUX M5X16
Présent sur outils : |
21 | 0 € | Nous Contacter ! | |||
| 003 | 20594362 | BRIDE CACHE PROTECTION TIRANT
Présent sur outils : |
1 | 0 € | Nous Contacter ! | |||
| 004 | 20594363 | VIS A TETE 6 PANS CREUX M6X60
Présent sur outils : |
4 | 0 € | Nous Contacter ! | |||
| 005 | 20594364 | CAPOT POULIES
Présent sur outils : |
1 | 0 € | Nous Contacter ! | |||
| 006 VUE 01/VUE 02/VUE 03 | 20596446 | VIS A TETE 6 PANS CREUX M6X20
Présent sur outils : |
8 | 0 € | Nous Contacter ! | |||
| 007 | 20594365 | RONDELLE ELASTIQUE M6
Présent sur outils : |
8 | 0 € | Nous Contacter ! | |||
![]() |
008 VUE 01 ET VUE 02 / 064 VUE 01 | 20597950 | RONDELLE PLATE M6
Présent sur outils : |
7 | 2.66 € |
–+ Ajouter
|
||
| 009 | 20594366 | SUPPORT MOTEUR
Présent sur outils : |
1 | 0 € | Nous Contacter ! | |||
| 010 | 20594076 | VIS A TETE 6 PANS CREUX M6X14
Présent sur outils : |
1 | 2.4 € | Nous Contacter ! | |||
| 011 | 20594367 | RONDELLE MOTEUR
Présent sur outils : |
1 | 0 € | Nous Contacter ! | |||
| 012 | 20594368 | POULIE MOTEUR
Présent sur outils : |
1 | 0 € | Nous Contacter ! | |||
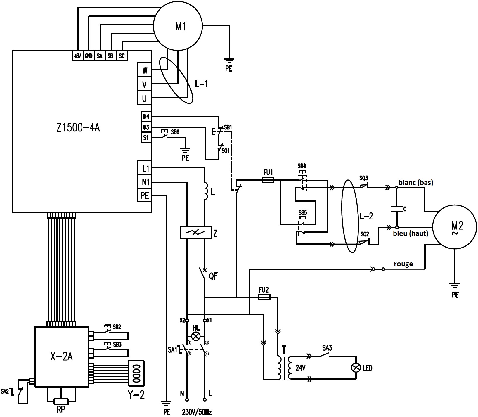
| 013 VUE 01 / M1 VUE 04 | 20594369 | MOTEUR BROCHE 230V 1500W W122-1500 C
Présent sur outils : |
1 | 0 € | Nous Contacter ! | |||
| 014 | 20594370 | CLAVETTE 6X6X25
Présent sur outils : |
1 | 0 € | Nous Contacter ! | |||
| 015 | 20594371 | COURROIE HTD 535-5M-25
Présent sur outils : |
1 | 0 € | Nous Contacter ! | |||
| 016 | 20594372 | CABESTAN
Présent sur outils : |
1 | 0 € | Nous Contacter ! | |||
| 017+018+019+020 | 20594373 | BRAS DE CABESTAN COMPLET
Présent sur outils : |
3 | 0 € | Nous Contacter ! | |||
| 021 | 20594374 | POULIE BROCHE
Présent sur outils : |
1 | 0 € | Nous Contacter ! | |||
| 022 | 20594375 | VIS A TETE 6 PANS CREUX M5X14
Présent sur outils : |
4 | 0 € | Nous Contacter ! | |||
| 023 | 20594376 | SUPPORT BROCHE
Présent sur outils : |
1 | 0 € | Nous Contacter ! | |||
| 024 | 20594377 | ROULEMENT 1080908
Présent sur outils : |
2 | 0 € | Nous Contacter ! | |||
| 025 | 20594378 | ENTRETOISE II
Présent sur outils : |
1 | 0 € | Nous Contacter ! | |||
| 026 | 20196323 | CIRCLIPS INTERIEUR D.62
Présent sur outils : |
1 | 2.4 € |
–+ Ajouter
|
|||
| 027 | 20594379 | ECROU ROND FENDU M33x1.5
Présent sur outils : |
2 | 0 € | Nous Contacter ! | |||
| 028 | 20594380 | ENTRETOISE I
Présent sur outils : |
2 | 0 € | Nous Contacter ! | |||
| 029 | 20594381 | ROULEMENT 1080907
Présent sur outils : |
1 | 0 € | Nous Contacter ! | |||
| 030 | 20599939 | ROULEMENT 80107
Présent sur outils : |
1 | 20.32 € |
–+ Ajouter
|
|||
| 033 | 20194313 | ROULEMENT 32008
Présent sur outils : |
1 | 0 € | Nous Contacter ! | |||
| 035 | 20594382 | TIRANT
Présent sur outils : |
1 | 0 € | Nous Contacter ! | |||
| 037 / 084 | 20596443 | VIS AUTOPERFORANTE ST2.9x6.5
Présent sur outils : |
10 | 0 € | Nous Contacter ! | |||
| 038+036+034+033+032+031+030+028+027 | 20594383 | FOURREAU+BROCHE
Présent sur outils : |
1 | 0 € | Nous Contacter ! | |||
| 039 | 20594384 | CARTER PUPITRE DE COMMANDES
Présent sur outils : |
1 | 0 € | Nous Contacter ! | |||
| 041 | 20594385 | LAMPE LED
Présent sur outils : |
1 | 0 € | Nous Contacter ! | |||
![]() |
042 | 20399119 | PORTE-FUSIBLE POUR FUSIBLE 5*20
Présent sur outils : |
2 | 4.82 € |
–+ Ajouter
|
||
| 043 VUE 01 ET 02 | 20594386 | RACCORD GAINE ELECTRIQUE
Présent sur outils : |
2 | 0 € | Nous Contacter ! | |||
| 044 | 20594387 | GOUPILLE CONIQUE
Présent sur outils : |
1 | 0 € | Nous Contacter ! | |||
| 045 | 20594388 | CIRCLIP EXTERIEUR D.5
Présent sur outils : |
1 | 0 € | Nous Contacter ! | |||
| 046 / 095 | 20596407 | RESSORT 0.8x10x14
Présent sur outils : |
2 | 0 € | Nous Contacter ! | |||
| 047 | 20594389 | BRIDE DE RACCORDEMENT
Présent sur outils : |
1 | 0 € | Nous Contacter ! | |||
| 048 | 20594390 | VIS TETE FRAISEE CRUCIFORME M3x14
Présent sur outils : |
2 | 0 € | Nous Contacter ! | |||
| 049 VUE 01 ET VUE 02 | 20596377 | VIS TETE ARRONDIE CRUCIFORME M4x8
Présent sur outils : |
18 | 0 € | Nous Contacter ! | |||
| 050 | 20594391 | PUPITRE DE COMMANDES
Présent sur outils : |
1 | 0 € | Nous Contacter ! | |||
![]() |
051 | 20596048 | ECROU HEXAGONAL M6X1.0
Présent sur outils : |
2 | 4.01 € |
–+ Ajouter
|
||
| 052 + 053 | 20594392 | RESSORT DE RAPPEL
Présent sur outils : |
1 | 0 € | Nous Contacter ! | |||
| 054 | 20594393 | PLAQUE SUPPORT
Présent sur outils : |
1 | 0 € | Nous Contacter ! | |||
| 055 VUE 01 ET VUE 02 | 20597893 | VIS TETE ARRONDIE CRUCIFORME M3x8
Présent sur outils : |
14 | 2.4 € |
–+ Ajouter
|
|||
![]() |
056 VUE 01 / SQ1 VUE 04 / 154 VUE 02 / SQ2 VUE 04 / SQ3 VUE 04 | 20197464 | MICRORUPTEUR QKS7
Présent sur outils : |
3 | 104.65 € |
–+ Ajouter
|
||
| 057 / 073 | 20594394 | VIS TETE FRAISEE CRUCIFORME M4x10
Présent sur outils : |
2 | 0 € | Nous Contacter ! | |||
| 058 | 20594395 | AXE ECRAN DE PROTECTION
Présent sur outils : |
1 | 0 € | Nous Contacter ! | |||
| 059+065+066*2+073*3 | 20594396 | ECRAN DE PROTECTION
Présent sur outils : |
1 | 0 € | Nous Contacter ! | |||
![]() |
060 VUE01 / HL VUE 04 | 20596440 | VOYANT VERT "SOUS TENSION"
Présent sur outils : |
1 | 12.48 € |
–+ Ajouter
|
||
![]() |
061 VUE 01 / SB2 VUE 04 | 20596759 | BOUTON POUSSOIR DE MARCHE
Présent sur outils : |
1 | 5.18 € |
–+ Ajouter
|
||
| 061A VUE 01 / SB3 VUE 04 | 20594397 | INTERRUPTEUR ARRET
Présent sur outils : |
1 | 0 € | Nous Contacter ! | |||
![]() |
062 VUE 01 / SB1 VUE 04 | 21399712 | ARRET D'URGENCE A ACCROCHAGE
Présent sur outils : |
1 | 27.66 € |
–+ Ajouter
|
||
| 063 VUE 01/ RP VUE 04 | 20594398 | POTENTIOMETRE VITESSE DE BROCHE
Présent sur outils : |
1 | 0 € | Nous Contacter ! | |||
| 066 | 20594399 | MOLETTE M5x20
Présent sur outils : |
2 | 0 € | Nous Contacter ! | |||
| 067 | 20594400 | PLAQUE DE RACCORDEMENT
Présent sur outils : |
1 | 0 € | Nous Contacter ! | |||
| 068 | 20594401 | PLAQUE DE RACCORDEMENT
Présent sur outils : |
1 | 0 € | Nous Contacter ! | |||
| 069 | 20594402 | MANCHON AXE DE POSITIONNEMENT
Présent sur outils : |
1 | 0 € | Nous Contacter ! | |||
| 070 | 20594403 | VIS TETE FRAISEE CRUCIFORME M4X12
Présent sur outils : |
2 | 0 € | Nous Contacter ! | |||
| 071 VUE 01 / 144 VUE 02 | 20596420 | VIS A TETE 6 PANS CREUX M5X20
Présent sur outils : |
5 | 0 € | Nous Contacter ! | |||
| 072 | 20594404 | AIMANT
Présent sur outils : |
1 | 0 € | Nous Contacter ! | |||
| 074 | 20594405 | BLOC
Présent sur outils : |
1 | 0 € | Nous Contacter ! | |||
| 075 | 20194826 | ECROU HEXAGONAL M4
Présent sur outils : |
2 | 4 € |
–+ Ajouter
|
|||
| 076 | 20594406 | VIS TETE ARRONDIE CRUCIFORME M3x6
Présent sur outils : |
5 | 0 € | Nous Contacter ! | |||
| 077 | 20594407 | VIS DE REGLAGE
Présent sur outils : |
1 | 0 € | Nous Contacter ! | |||
| 078 | 20594408 | SUPPORT DE REGLAGE
Présent sur outils : |
1 | 0 € | Nous Contacter ! | |||
| 079 | 20594409 | HUILEUR D.6
Présent sur outils : |
2 | 0 € | Nous Contacter ! | |||
| 080 | 20594410 | TETE
Présent sur outils : |
1 | 0 € | Nous Contacter ! | |||
| 081 | 20594411 | PANNEAU DE COMMANDES
Présent sur outils : |
1 | 0 € | Nous Contacter ! | |||
| 082 | 20594412 | BOITE D'ENGRENAGES
Présent sur outils : |
1 | 0 € | Nous Contacter ! | |||
| 083 VUE 01 / SA2 VUE 04 | 20594413 | COMMUTATEUR PERCAGE/TARAUDAGE
Présent sur outils : |
1 | 0 € | Nous Contacter ! | |||
| 085 VUE 01 / Y-2 VUE 04 | 20599876 | AFFICHAGE DIGITAL
Présent sur outils : |
1 | 56.06 € | Nous Contacter ! | |||
| 086 | 20594414 | PLAQUE AFFICHAGE DIGITAL
Présent sur outils : |
1 | 0 € | Nous Contacter ! | |||
![]() |
087 | 20599890 | AFFICHAGE DIGITAL PROFONDEUR
Présent sur outils : |
1 | 141.25 € |
–+ Ajouter
|
||
| 088 | 20594415 | GOUPILLE CYLINDRIQUE ELASTIQUE 3x12
Présent sur outils : |
3 | 0 € | Nous Contacter ! | |||
| 089 | 20594416 | LAMELLE ELECTRIQUE
Présent sur outils : |
1 | 0 € | Nous Contacter ! | |||
| 090 | 20594417 | SUPPORT DE CONTACT
Présent sur outils : |
1 | 0 € | Nous Contacter ! | |||
| 091 | 20596352 | VIS TETE FRAISEE CRUCIFORME M3x8
Présent sur outils : |
2 | 0 € | Nous Contacter ! | |||
| 092 | 20594418 | CARTER TETE
Présent sur outils : |
1 | 0 € | Nous Contacter ! | |||
| 093 | 20594419 | VIS TETE FRAISEE CRUCIFORME M3x20
Présent sur outils : |
4 | 0 € | Nous Contacter ! | |||
| 094 | 20594420 | VIS DE BLOCAGE BROCHE
Présent sur outils : |
1 | 0 € | Nous Contacter ! | |||
![]() |
096 | 20596448 | POIGNEE DE BLOCAGE BROCHE
Présent sur outils : |
1 | 7.49 € |
–+ Ajouter
|
||
| 097 | 20596447 | VIS TETE ARRONDIE CRUCIFORME M6x10
Présent sur outils : |
7 | 0 € | Nous Contacter ! | |||
| 098 VUE 01 ET VUE 02 | 20594421 | GOUPILLE CONIQUE AVEC FILETAGE INTERIEUR 6x20
Présent sur outils : |
3 | 0 € | Nous Contacter ! | |||
| 099 | 20594422 | SUPPORT AFFICHAGE DIGITAL PROFONDEUR DE PERCAGE
Présent sur outils : |
1 | 0 € | Nous Contacter ! | |||
| 100 | 20594423 | AFFICHAGE DIGITAL PROFONDEUR DE PERCAGE
Présent sur outils : |
1 | 0 € | Nous Contacter ! | |||
| 101 | 20594424 | CARTER AFFICHAGE DIGITAL PROFONDEUR DE PERCAGE
Présent sur outils : |
1 | 0 € | Nous Contacter ! | |||
| 102 | 20594425 | PALIER VIS SANS FIN DESCENTE LENTE BROCHE
Présent sur outils : |
1 | 0 € | Nous Contacter ! | |||
| 103 | 20594426 | VIS SANS FIN DESCENTE LENTE BROCHE
Présent sur outils : |
1 | 0 € | Nous Contacter ! | |||
| 104 | 20594427 | ROULEMENT 8101
Présent sur outils : |
2 | 0 € | Nous Contacter ! | |||
| 105 | 20594428 | SUPPORT POIGNEE DESCENTE LENTE BROCHE
Présent sur outils : |
1 | 0 € | Nous Contacter ! | |||
| 106 VUE 01 ET VUE 02 | 20594429 | VIS A TETE 6 PANS CREUX M4X16
Présent sur outils : |
7 | 0 € | Nous Contacter ! | |||
| 107 | 20594430 | POIGNEE DESCENTE LENTE BROCHE
Présent sur outils : |
1 | 0 € | Nous Contacter ! | |||
| 108 | 20596309 | RONDELLE M8
Présent sur outils : |
1 | 0 € | Nous Contacter ! | |||
| 109 | 20596364 | ECROU BORGNE M8
Présent sur outils : |
1 | 0 € | Nous Contacter ! | |||
| 113 VUE 01 / 228 VUE 03 | 20597840 | CLAVETTE 4x10
Présent sur outils : |
2 | 2.4 € | Nous Contacter ! | |||
| 114+110+11+112 | 20594431 | POIGNEE BLOCAGE POSITION DESCENTE LENTE
Présent sur outils : |
1 | 0 € | Nous Contacter ! | |||
| 115 | 20195833 | CIRCLIP S25
Présent sur outils : |
2 | 2.95 € | Nous Contacter ! | |||
| 116 | 20594432 | RONDELLE DE REGLAGE
Présent sur outils : |
1 | 0 € | Nous Contacter ! | |||
| 117 | 20594433 | PIECES DE CONDUCTION ELECTRIQUE
Présent sur outils : |
1 | 0 € | Nous Contacter ! | |||
| 118 | 20594434 | ENTRETOISE III
Présent sur outils : |
1 | 0 € | Nous Contacter ! | |||
| 119 | 20594435 | GOUPILLE CYLINDRIQUE 10x55
Présent sur outils : |
1 | 0 € | Nous Contacter ! | |||
| 120 | 20594436 | BILLE D.10
Présent sur outils : |
3 | 0 € | Nous Contacter ! | |||
| 121 | 20594437 | VIS A TETE 6 PANS CREUX M4X14
Présent sur outils : |
9 | 0 € | Nous Contacter ! | |||
| 122 | 20594438 | DOUILLE FIXE EN ACIER
Présent sur outils : |
1 | 0 € | Nous Contacter ! | |||
| 123 | 20594439 | PIGNON HELICOIDAL 47T
Présent sur outils : |
1 | 0 € | Nous Contacter ! | |||
| 124 | 20594440 | ROULEMENT HK283520
Présent sur outils : |
1 | 0 € | Nous Contacter ! | |||
| 125 | 20594441 | BRIDE DROITE
Présent sur outils : |
1 | 0 € | Nous Contacter ! | |||
| 126 | 20196647 | CLAVETTE 5x5x10
Présent sur outils : |
2 | 9.89 € | Nous Contacter ! | |||
| 127 | 20594442 | ARBRE D'ENGRENAGE
Présent sur outils : |
1 | 0 € | Nous Contacter ! | |||
| 128 | 20594443 | ROULEMENT HK222816
Présent sur outils : |
1 | 0 € | Nous Contacter ! | |||
| 129 | 20594444 | BRIDE GAUCHE
Présent sur outils : |
1 | 0 € | Nous Contacter ! | |||
| 130 | 20596422 | VIS TETE ARRONDIE CRUCIFORME M4x6
Présent sur outils : |
25 | 0 € | Nous Contacter ! | |||
| 131 | 20594445 | CACHE BOITIER ELECTRIQUE INFERIEUR
Présent sur outils : |
1 | 0 € | Nous Contacter ! | |||
| 132 | 20594446 | CACHE BOITIER ELECTRIQUE SUPERIEUR
Présent sur outils : |
1 | 0 € | Nous Contacter ! | |||
| 133 / Z1500-4A | 20594447 | CARTE ELECTRONIQUE PRINCIPALE
Présent sur outils : |
1 | 0 € | Nous Contacter ! | |||
| 134 | 20594448 | ADAPTATEUR
Présent sur outils : |
1 | 0 € | Nous Contacter ! | |||
| 135 | 20594449 | ECROU HEXAGONAL M14x1.5
Présent sur outils : |
2 | 0 € | Nous Contacter ! | |||
| 136 | 20594450 | ROULEMENT 8102
Présent sur outils : |
2 | 0 € | Nous Contacter ! | |||
| 137 | 20594451 | PALIER AXE COLONNE
Présent sur outils : |
1 | 0 € | Nous Contacter ! | |||
| 138 | 20594452 | GAINE EN CUIVRE AXE COLONNE
Présent sur outils : |
1 | 0 € | Nous Contacter ! | |||
| 139 | 20594453 | AXE COLONNE
Présent sur outils : |
1 | 0 € | Nous Contacter ! | |||
![]() |
141 VUE 01 ET 02 | 20597589 | RONDELLE RESSORT M8
Présent sur outils : |
2 | 3.74 € |
–+ Ajouter
|
||
| 142 VUE 01 ET 02 | 20195938 | VIS A TETE 6 PANS CREUX M8X12
Présent sur outils : |
2 | 2.95 € | Nous Contacter ! | |||
| 143 | 20596387 | VIS TETE ARRONDIE CRUCIFORME M5x8
Présent sur outils : |
4 | 0 € | Nous Contacter ! | |||
| 145 | 20594454 | PIECE ANTIVIBRATION
Présent sur outils : |
4 | 0 € | Nous Contacter ! | |||
| 146 | 20594455 | SUPPORT CARTE ELECTRONIQUE PRINCIPALE
Présent sur outils : |
1 | 0 € | Nous Contacter ! | |||
| 147 | 20594456 | FLEXIBLE
Présent sur outils : |
1 | 0 € | Nous Contacter ! | |||
![]() |
148 | 20597215 | CABLE D'ALIMENTATION HO5VVF 3G1.5
Présent sur outils : |
1 | 80.03 € |
–+ Ajouter
|
||
| 149 | 20594457 | CARTER DE PROTECTION MOTEUR TETE
Présent sur outils : |
1 | 0 € | Nous Contacter ! | |||
| 150 VUE 02 / T VUE 04 | 20594458 | TRANSFORMATEUR 400V/24V DB 30W
Présent sur outils : |
1 | 0 € | Nous Contacter ! | |||
| 151 VUE 01 /Z VUE 04 | 20599891 | BLOC ALIMEMTATION XMT-23150L
Présent sur outils : |
1 | 74.42 € |
–+ Ajouter
|
|||
| 152 VUE 02 ET VUE 03 | 20594459 | RIVET 2x4
Présent sur outils : |
4 | 0 € | Nous Contacter ! | |||
| 153 | 20594460 | GRADUATION COLONNE
Présent sur outils : |
1 | 0 € | Nous Contacter ! | |||
| 155 | 20594461 | PRESSE ETOUPES M12
Présent sur outils : |
2 | 0 € | Nous Contacter ! | |||
| 156 | 20594462 | VIS A TETE 6 PANS CREUX M16X55
Présent sur outils : |
4 | 0 € | Nous Contacter ! | |||
| 157 | 20594463 | GOUPILLE CONIQUE AVEC FILETAGE INTERIEUR 10x45
Présent sur outils : |
2 | 0 € | Nous Contacter ! | |||
| 158 | 20594464 | RONDELLE PLATE M16
Présent sur outils : |
4 | 0 € | Nous Contacter ! | |||
| 159 | 20195292 | PRESSE ETOUPES M16x1,5
Présent sur outils : |
1 | 11.63 € |
–+ Ajouter
|
|||
| 160 VUE02 / M2 VUE 04 | 20594465 | MOTEUR TETE 230V 60W
Présent sur outils : |
1 | 0 € | Nous Contacter ! | |||
| 161 | 20596323 | VIS A TETE 6 PANS CREUX M6X25
Présent sur outils : |
8 | 0 € | Nous Contacter ! | |||
| 162 | 20594468 | VIS TETE ARRONDIE CRUCIFORME M4x30
Présent sur outils : |
4 | 0 € | Nous Contacter ! | |||
| 163 | 20594469 | SUPPORT MOTEUR TETE
Présent sur outils : |
1 | 0 € | Nous Contacter ! | |||
| 164 | 20594470 | BLOC ECROU COLONNE
Présent sur outils : |
1 | 0 € | Nous Contacter ! | |||
| 165 VUE 02 ET VUE 03 | 20596321 | VIS TETE ARRONDIE CRUCIFORME M6x8
Présent sur outils : |
2 | 0 € | Nous Contacter ! | |||
| 166 VUE 02 ET VUE 03 | 20594471 | INDEX
Présent sur outils : |
2 | 0 € | Nous Contacter ! | |||
| 167 | 20594472 | COLONNE
Présent sur outils : |
1 | 0 € | Nous Contacter ! | |||
| 168 | 20594473 | GLISSIERE
Présent sur outils : |
1 | 0 € | Nous Contacter ! | |||
| 169 VUE 02 ET VUE 03 | 21399686 | HUILEUR D.8
Présent sur outils : |
7 | 2.4 € |
–+ Ajouter
|
|||
| 170 | 20594474 | BUTEE COLONNE
Présent sur outils : |
1 | 0 € | Nous Contacter ! | |||
| 171 | 20594475 | PLAQUE SUPERIEURE PROTECTION COLONNE
Présent sur outils : |
1 | 0 € | Nous Contacter ! | |||
| 172 VUE02 / SA1 VUE 04 | 20599881 | SELECTEUR M/A ZH-HD-1
Présent sur outils : |
1 | 15.18 € |
–+ Ajouter
|
|||
| 173 | 20594476 | SUPPORT INTERRUPTEUR SECTIONNEUR
Présent sur outils : |
1 | 0 € | Nous Contacter ! | |||
| 174 VUE 02 ET VUE 03 | 20594477 | CALE DE SERRAGE
Présent sur outils : |
6 | 0 € | Nous Contacter ! | |||
| 175 | 20594478 | LARDON COLONNE
Présent sur outils : |
1 | 0 € | Nous Contacter ! | |||
| 176 VUE 02 ET VUE 03 | 20594479 | CALE DE BLOCAGE
Présent sur outils : |
4 | 0 € | Nous Contacter ! | |||
| 177 VUE 02 ET VUE 03 | 20594480 | POIGNEE INDEXABLE M8*30
Présent sur outils : |
6 | 0 € | Nous Contacter ! | |||
| 178 | 20594481 | ECROU EN T M10x50
Présent sur outils : |
3 | 0 € | Nous Contacter ! | |||
| 179 VUE 02 /182 VUE 02 ET VUE 03 | 20596343 | RONDELLE M10
Présent sur outils : |
5 | 0 € | Nous Contacter ! | |||
![]() |
180 | 20597708 | ECROU HEXAGONAL M10
Présent sur outils : |
3 | 2.4 € |
–+ Ajouter
|
||
| 181 | 20594482 | DOUILLE DE SERRAGE
Présent sur outils : |
1 | 0 € | Nous Contacter ! | |||
| 183 VUE 02 ET VUE 03 | 20596344 | RONDELLE RESSORT M10
Présent sur outils : |
2 | 0 € | Nous Contacter ! | |||
| 184 | 20195600 | VIS A TETE 6 PANS CREUX M10X20
Présent sur outils : |
1 | 0 € | Nous Contacter ! | |||
| 185 | 20594483 | PROTECTION COLONNE
Présent sur outils : |
1 | 0 € | Nous Contacter ! | |||
| 186 | 20594484 | PLAQUE INFERIEURE PROTECTION COLONNE
Présent sur outils : |
1 | 0 € | Nous Contacter ! | |||
| 187 | 20594485 | VIS TETE ARRONDIE CRUCIFORME M5x12
Présent sur outils : |
4 | 0 € | Nous Contacter ! | |||
| 188 | 20594486 | PROTECTION VIS TRANSVERSALE
Présent sur outils : |
1 | 0 € | Nous Contacter ! | |||
| 189 | 20594487 | LARDON LONGITUDINAL
Présent sur outils : |
1 | 0 € | Nous Contacter ! | |||
![]() |
190 | 20597784 | VIS A TETE 6 PANS CREUX M10X16
Présent sur outils : |
1 | 2.4 € | Nous Contacter ! | ||
| 191 | 20594355 | BLOC ECROU VIS LONGITUDINALE
Présent sur outils : |
1 | 109.08 € | Nous Contacter ! | |||
| 192 | 20196763 | VIS SANS TETE 6 PANS CREUX M6X20
Présent sur outils : |
1 | 2.54 € | Nous Contacter ! | |||
| 193 | 20594488 | CALE DE BLOCAGE
Présent sur outils : |
2 | 0 € | Nous Contacter ! | |||
| 194 | 20594489 | BUTEE FIXE TABLE
Présent sur outils : |
1 | 0 € | Nous Contacter ! | |||
| 195 | 20594490 | CHARIOT LONGITUDINAL
Présent sur outils : |
1 | 0 € | Nous Contacter ! | |||
| 196 | 20594491 | ROULEMENT 8203
Présent sur outils : |
2 | 0 € | Nous Contacter ! | |||
| 197 | 20594492 | SUPPORT VOLANT TRANSVERSAL
Présent sur outils : |
2 | 0 € | Nous Contacter ! | |||
| 198 | 20594493 | CIRCLIP EXT D.28
Présent sur outils : |
2 | 0 € | Nous Contacter ! | |||
| 199 | 20594494 | ROULEMENT 61902
Présent sur outils : |
2 | 0 € | Nous Contacter ! | |||
| 200 | 20594495 | ROULEMENT 8202
Présent sur outils : |
2 | 0 € | Nous Contacter ! | |||
| 201 | 20596312 | CLAVETTE 4x16
Présent sur outils : |
1 | 0 € | Nous Contacter ! | |||
| 202 | 20594496 | VIS TRANSVERSALE
Présent sur outils : |
1 | 0 € | Nous Contacter ! | |||
| 203 | 20594497 | GRADUATION VOLANT TRANSVERSAL
Présent sur outils : |
1 | 0 € | Nous Contacter ! | |||
| 204+205+206 | 20594357 | VOLANT TRANSVERSAL
Présent sur outils : |
1 | 53.46 € | Nous Contacter ! | |||
| 205+206 | 20594498 | POIGNEE VOLANT
Présent sur outils : |
2 | 0 € | Nous Contacter ! | |||
| 207 | 20594499 | LARDON TRANSVERSAL
Présent sur outils : |
1 | 0 € | Nous Contacter ! | |||
| 208 | 20195135 | BILLE D.4
Présent sur outils : |
2 | 2.4 € |
–+ Ajouter
|
|||
| 209 | 20594500 | RESSORT 0.5x4x10
Présent sur outils : |
2 | 0 € | Nous Contacter ! | |||
| 210 | 20596362 | RONDELLE M12
Présent sur outils : |
2 | 0 € | Nous Contacter ! | |||
![]() |
211 | 20597709 | ECROU FREIN HEXAGONAL M12
Présent sur outils : |
2 | 2.4 € |
–+ Ajouter
|
||
| 212 | 20594356 | VIS LONGITUDINALE
Présent sur outils : |
1 | 89.11 € | Nous Contacter ! | |||
| 213 | 20594501 | GAINE EN CUIVRE VIS LONGITUDINALE
Présent sur outils : |
1 | 0 € | Nous Contacter ! | |||
| 214 | 20594502 | RONDELLE DE BLOCAGE
Présent sur outils : |
1 | 0 € | Nous Contacter ! | |||
| 215 | 20594503 | CARTER DE PROTECTION
Présent sur outils : |
1 | 0 € | Nous Contacter ! | |||
| 216 | 20195606 | VIS A TETE 6 PANS CREUX M8X20
Présent sur outils : |
8 | 0 € | Nous Contacter ! | |||
| 217 | 20594504 | GOUPILLE CONIQUE AVEC FILETAGE INTERIEUR 6x25
Présent sur outils : |
4 | 0 € | Nous Contacter ! | |||
| 218 | 20594505 | EMBRAYAGE VOLANT LONGITUDINAL
Présent sur outils : |
1 | 0 € | Nous Contacter ! | |||
| 219 | 20594506 | RESSORT VOLANT LONGITUDINAL
Présent sur outils : |
1 | 0 € | Nous Contacter ! | |||
| 221 | 20596308 | ECROU M8
Présent sur outils : |
4 | 0 € | Nous Contacter ! | |||
| 223 | 20594507 | CACHE BLOC TABLE COTE GAUCHE
Présent sur outils : |
1 | 0 € | Nous Contacter ! | |||
| 224+205+206 | 20594508 | VOLANT LONGITUDINAL
Présent sur outils : |
1 | 0 € | Nous Contacter ! | |||
| 225 | 20594509 | BLOC ECROU VIS TRANSVERSALE
Présent sur outils : |
1 | 0 € | Nous Contacter ! | |||
| 226+220+221+222 | 20594510 | BUTEE MOBILE TABLE
Présent sur outils : |
2 | 0 € | Nous Contacter ! | |||
| 227 | 20594511 | GRADUATION TABLE
Présent sur outils : |
1 | 0 € | Nous Contacter ! | |||
| 229 | 20594512 | TABLE DE TRAVAIL
Présent sur outils : |
1 | 0 € | Nous Contacter ! | |||
| 230 | 20594513 | BLOC TABLE COTE DROIT
Présent sur outils : |
1 | 0 € | Nous Contacter ! | |||
| 231 | 20594514 | BLOC TABLE COTE GAUCHE
Présent sur outils : |
1 | 0 € | Nous Contacter ! | |||
| 232 | 20594515 | CHARIOT TRANSVERSAL
Présent sur outils : |
1 | 0 € | Nous Contacter ! | |||
| 233 | 20594516 | GRADUATION VOLANT LONGITUDINAL
Présent sur outils : |
1 | 0 € | Nous Contacter ! | |||
| 234 | 20594517 | MANCHON VOLANT LONGITUDINAL
Présent sur outils : |
1 | 0 € | Nous Contacter ! | |||
| 235 | 20594518 | VIS DE BLOCAGE G1/2
Présent sur outils : |
1 | 0 € | Nous Contacter ! | |||
| 236 | 20594519 | ENTRETOISE
Présent sur outils : |
1 | 0 € | Nous Contacter ! | |||
| 237 | 20594520 | PROTECTION ANTI-ECLABOUSSURES I
Présent sur outils : |
1 | 0 € | Nous Contacter ! | |||
| 238 | 20594521 | PROTECTION ANTI-ECLABOUSSURES II
Présent sur outils : |
1 | 0 € | Nous Contacter ! | |||
| 239 | 20594522 | RESSORT POIGNEE DE VERROUILLAGE
Présent sur outils : |
2 | 0 € | Nous Contacter ! | |||
| FU1 / FU2 | 20197978 | FUSIBLE 5*20/ 1A
Présent sur outils : |
2 | 8.02 € | Nous Contacter ! | |||
| LED | 20594358 | AMPOULE LED
Présent sur outils : |
1 | 0 € | Nous Contacter ! | |||
| QF | 20594359 | DISJONCTEUR MAGNETO THERMIQUE D16 1P
Présent sur outils : |
1 | 0 € | Nous Contacter ! | |||
![]() |
SB4 / SB5 | 20594134 | BOUTON POUSSOIR NOIR AVEC 1 CONTACT NO ET 1 CONTACT NC
Présent sur outils : |
2 | 67.93 € |
–+ Ajouter
|
||
| SB6 | 20594523 | INTERRUPTEUR TARAUDAGE
Présent sur outils : |
1 | 0 € | Nous Contacter ! | |||
| X-2A | 20594360 | CARTE DE CONTROLE VITESSE
Présent sur outils : |
1 | 0 € | Nous Contacter ! | |||
| Aucune Pièce détachée sur cette vue | ||||||||
| Accessoires | ||||||||
![]() |
20598010 | EQUIPEMENT DE FRAISAGE CM4 + 11 PINCES 4 A 20 MM
Présent sur outils : |
1 | 1200 € |
–+ Ajouter
|
|||
![]() |
20598024 | CÔNE DE REDUCTION DE CM4 A CM3
Présent sur outils : |
1 | 87.6 € |
–+ Ajouter
|
|||
![]() |
20598025 | CÔNE DE REDUCTION DE CM4 A CM2
Présent sur outils : |
1 | 87.6 € |
–+ Ajouter
|
|||
![]() |
20598028 | QUEUE DE MANDRIN CM4 - B18
Présent sur outils : |
1 | 60.6 € |
–+ Ajouter
|
|||
![]() |
20598036 | MANDRIN AUTOSERRANT DE 1 A 16 MM B18
Présent sur outils : |
1 | 180.12 € |
–+ Ajouter
|
|||
![]() |
20598041 | JEU DE BRIDES T16
Présent sur outils : |
1 | 44.04 € |
–+ Ajouter
|
|||
![]() |
20598042 | CHASSE CONE 3/4 MANUEL
Présent sur outils : |
1 | 25.32 € |
–+ Ajouter
|
|||
| 20598048 | SYSTEME ARROSAGE MONOPHASE RACCORD G1/2
Présent sur outils : |
1 | 451.08 € | Nous Contacter ! | ||||
![]() |
20598061 | MANDRIN PORTE TARAUD M3 A M16 - B18
Présent sur outils : |
1 | 183.72 € |
–+ Ajouter
|
|||
![]() |
20598245 | QUEUE DE MANDRIN TARAUDEE CM4-B18
Présent sur outils : |
1 | 108 € |
–+ Ajouter
|
|||
| 20598248 | SOCLE S30 POUR PERCEUSE FRAISEUSE
Présent sur outils : |
1 | 726 € | Nous Contacter ! | ||||
![]() |
20698039 | ETAU BSG 120 + JEU DE BRIDES
Présent sur outils : |
1 | 561.12 € | Nous Contacter ! | |||
| 20698042 | ETAU DE FRAISAGE EBT 125 + JEU DE BRIDES
Présent sur outils : |
1 | 410.88 € |
–+ Ajouter
|
||||
| Aucun Accessoire sur cette vue | ||||||||
| Consommables | ||||||||
| Aucun consommable sur cette vue | ||||||||
Produit ajouté au panier
Besoin d’aide ?
Contactez notre service client
au 02 54 74 02 16
Disponible du lundi au vendredi
de 8h à 12h et 13h30 à 17h30
Livraison et frais de transport
Livraison de 24h à 72h
À domicile ou en relais colis
(Frais de port gratuits à partir de 250,00 € HT / 300,00 € TTC)
Paiement et sécurité
CB sécurisé en ligne
avec le Crédit Mutuel
Service clients
Suivi de commande
Satisfait ou remboursé


























